Hospital
病院
室内空間の空気清浄 – メカセラ・スーパーウェーブIndoor air purification – MecaCera SuperWave

人が集まるホールや寝たきり老人の病室では、特有の臭いが発生します。病室の片隅に、或は空調の経路にメカセラと塩素分子溶存水を組み合わせた、多段気液接触反応器を設けると、
- 排泄物の悪臭
- 空気中のタバコの臭い
- 炭酸ガス
- 花粉等の粉塵等
- 空気中の雑菌
等を除去し、爽やかな雰囲気を作り出します。しかも、空気の入れ換えが不必要ですので、省エネルギーになります。
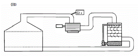
メカセラ・スーパーウェーブのしくみHow MechaCera Superwave works


- 空気の湿度調整用の超音波、又は高周波アトマイザーで含塩素滅菌水を噴霧化し、空調ダクトに導き、ダクト内に「メカセラ・スーパーウェーブ」を取り付けて衝突させます。
- 水中でのメカセラと塩素分子の反応と同じように、空気中でも「メカセラ・スーパーウェーブ」と水蒸気(目に見えなくても)と塩素分子が反応し、殺菌力の強い次亜塩素酸イオンが生成され、更に進んで発生期の酸素を出し、これをダクトから放出する事により、目的の室内の隅々まで殺菌を行います。
- 室内の塵や菌の死骸は、リターン・ダクトを経てフィルターで捕収除去されます。同時に室内の臭気も除去されます。
- リターン・ダクトに入る塵や菌は、通常のフィルターでは捕収できないほどの微粒子ですから、これらの捕収には弊社製「メカセラ・多段気液反応器」(図4)を取り付けられる事が望まれます。